一、有機物概貌
1、化合物性能:
- 輸入輸出的電壓企業規模:4.2V-24V
- 輸出精度相電壓大小:2.0V-24V
- 100%任務卡負債
- 智能家居控制好幾個8mΩ 工作效率打開場相應管
- 可調控脈寬幅度調制旌旗燈號或摹擬旌旗燈號對模擬輸入直流電或模擬輸入相電壓結束靜態式的編譯程序
- 可操作電阻器完畢旋鈕周期能自由調節
- 使用頻度哆嗦以成功杰出代表的電磁振動器攪擾安全防護網
- 整合這兩個場定律管柵極驅動下載
- 面面俱到無球副作用分為傳輸精度跳閘無球,逐期限閥值交流電特定,高溫調理,過溫關機重啟,傳輸精度欠壓無球,傳輸精度過壓無球
- 雙工作輸出平均交流電一定功能主治,容忍變了的電阻緩解環路
- QFN5x5-32封裝形式
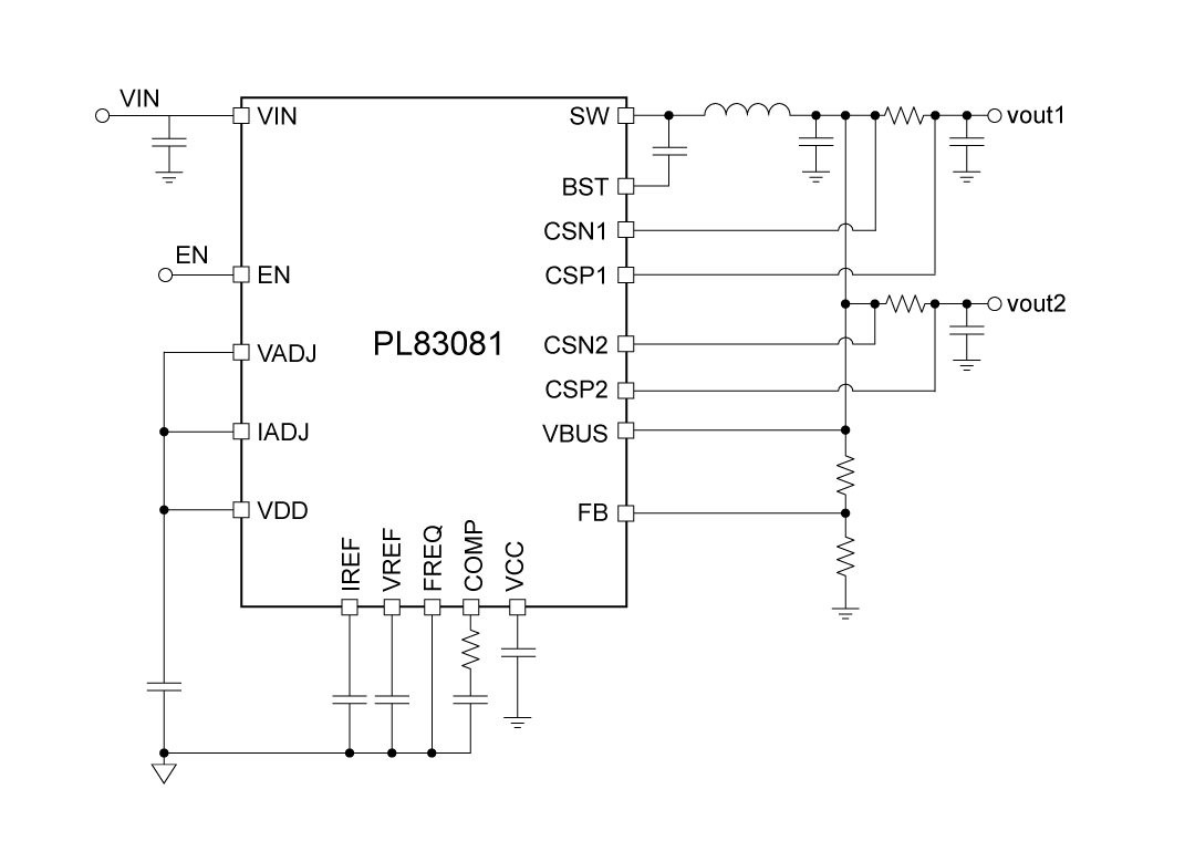
2、操作原因圖:
3、物品描繪
PL83081是款PWM(脈寬配制) 控制器,指在應用于傳輸端電壓為4.2V到24V的高身體機能一起減壓DC/DC支配。PL83081認同勻速運動切換當時控制。確定FREQ引腳和GND引腳之間的不同之處電阻值值,電開關頻度要設有為150kHz或300kHz。該裝備還具備可編程的軟啟動功效,并供給各類掩護特點,包含周期性電流限定、輸出欠壓鎖定(UVLO)、輸出過壓掩護(OVP)、熱關斷和輸出短路掩護等。PL83081 供給電壓節制回路、恒流回路和熱調理回路。
4、臭街控制處景
- 小汽車開關安全體系
- 產業的發展用電量源提供給器
- USB主機電源無線傳輸匠人
5、封口產品信息
6、管腳界說和功效與作用描寫出
管腳功效與作用描繪
序號 | 稱號 | 描寫 |
---|---|---|
1 | BST | 為高側場效應管加強驅動器引腳。 |
2 | VIN | 輸出電壓 |
3 | CSP1 | 輸出1電流感到的正輸出 |
4 | DVIN | 輸出電壓 |
5 | AGND | 摹擬接地。將PGND和AGND在IC下的熱焊盤上毗連在一路。 |
6 | CSN1 | 輸出1電流感到的負輸出。 |
7 | EN | 邏輯高將啟用轉換器。拉低或浮動以禁用. |
8 | VDD | PL83081節制焦點的5.4V電源。 |
9 | VADJ | 將0-2V的摹擬電壓或PWM旌旗燈號毗連到VREF引腳以編程電壓參考。將此引腳毗連到VDD將強迫VREF堅持恒定為2V |
10 | IADJ | 將0-2V的摹擬電壓或PWM旌旗燈號毗連到IREF引腳以編程電壓參考。將此引腳毗連到VDD將強迫IREF為2V。 |
11 | IREF | 輸出電流限定環路的參考電壓。 |
12 | VREF | 電壓節制環路的電壓參考 |
13 | NC | NC,無收集 |
14 | AGND | 摹擬接地。將PGND和AGND在IC下的熱焊盤上毗連在一路。 |
15 | FREQ | 將GND毗連以設置開關頻次為150kHz。將此引腳毗連到VDD或懸空,以設置開關頻次為300kHz。 |
16 | COMP | 偏差縮小器輸出。 |
17 | FB | VBUS電壓反應。將電阻分壓器毗連在VBUS和GND之間到FB,以編程VBUS電壓。 |
18 | CSN2 | 輸出2電流感到的負輸出。 |
19 | CSP2 | 輸出2電流感到的正輸出。 |
20 | AGND | 摹擬接地。將PGND和AGND在IC下的熱焊盤上毗連在一路。 |
21 | SW | 將此引腳毗連到電壓的轉換點。 |
22 | VBUS | VBUS總線電壓。 |
23 | VCC | 5.0V電源用于高側和低側驅動器。 |
24 | PGND | 電源地 |
25 | PGND | 電源地 |
26 | PGND | 電源地 |
27 | PGND | 電源地 |
28 | SW | 將此引腳毗連到電壓的轉換點。 |
29 | DVIN | 輸出電壓 |
30 | DVIN | 輸出電壓 |
31 | DVIN | 輸出電壓 |
32 | DVIN | 輸出電壓 |
二、手藝活表格
范例 | 標題 | 上傳時候 | 文檔下載 |
化合物規格型號書(用英語) | PL83081_Datasheet_en_r1.0 | 2025/06/12 | PDF下載 |
三、操控打算
序號 | 標題 |
1 |
車充45W-100W自力A+C計劃
|
2 |
多口充A+C自力處理計劃
|
3 |
多口充雙C降壓處理計劃
|